<先月へ2013年1月来月へ>
一番下へ
2013/1/11 23:34
すっかり忘れてましたが明けましておめでとうございます。





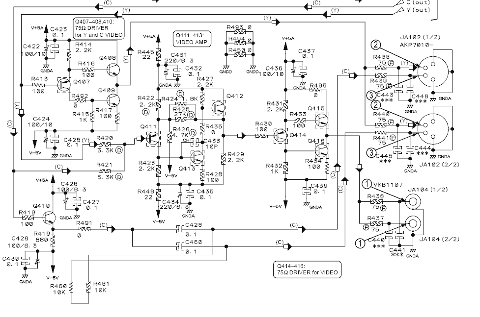
ところでどこぞやから拾ってきたDVL-919の回路図(映像出力系抜粋)




JA102がS端子。JA104がコンポジット
LDはコンポジットの方が綺麗とかは(少なくともこの機種においては)都市伝説。



LDは原理上コンポジットの方が綺麗なはずなんだけど、どうもS端子の方が綺麗な気がしてたのよね・・・。


てかなんで唐突にこんな物調べ始めたかというと、これは偶然の産物でして、
・そろそろAVアンプ買い換えたい
→最近のAVアンプはLDのRF入力ねえじゃん!!!!
→RFデモジュレーターなんてそうそう今更手に入らないじゃん!!!
→そもそもRFデモジュレーターってなにやってんのよ?作れないの?
→DVL919とDSP-A2の回路図どっかにおちてねーかな。


という流れですな。


さらに願わくば、LDなんてNTSCコンポジットをFM変調してPWMっぽく記録されてるだけだから、
FM復調前のデジタルデータ拾い上げてフルデジタル復調してDVI出力とかできねーかな(アホ

とか考えてますがまあ無理でしょう。でもAC-3のデモジュレーターはできないかなー。
なんかDSP-A2の回路図みるとデモジュレーターICってのがあるっぽいけど、なぜかRAM繋がってるのよね。
何やってるんだろう。


ホームに戻る